Bs 5163 Flanged Resilient Nrs
(SKYZ45X), PN10/16
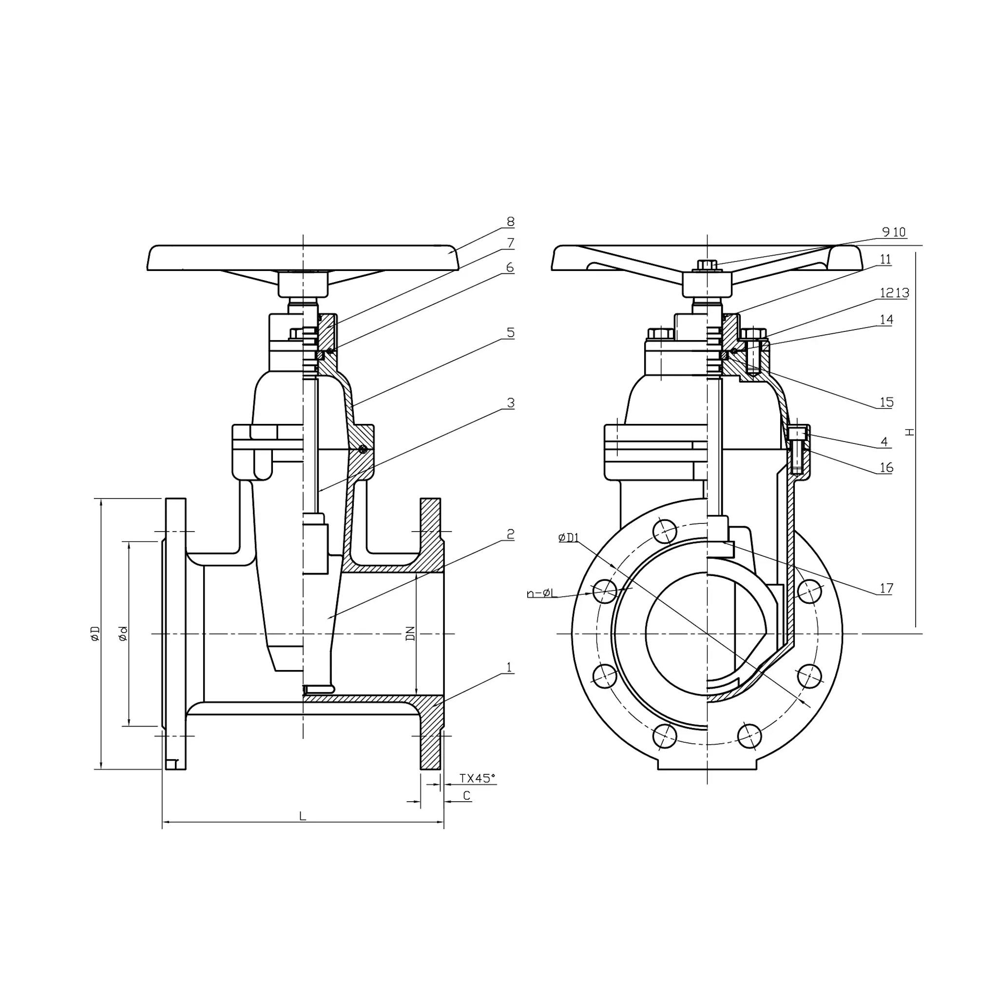
Description
Gate valves are used to control the flow of medium in piping systems. They are widely utilized in potable water, water supply, drainage, sewage disposal, irrigation, air conditioning, fire protection, as well as the chemical and energy industries.
- •Connection Ends:Flange to BS EN 1092-2:1997
- •Working Pressure:PN10/16
- •Temperature Range:0℃ - 80℃
- •Coating:Fusion Bonded Epoxy Coating in accordance with ANSI/AWWA C550
Material Specification
|| = Other Options

Dimensions
| DN | Type | PN | Dimensions (mm) | ||||||||
|---|---|---|---|---|---|---|---|---|---|---|---|
| Inch | mm | Type A | Type B | C | D | D1 | d | L | N-ØL | T | |
| 2" | 50 | 218 | 254 | 10/16 | 19 | 165 | 125 | 99 | 178 | 4-Φ19 | 3 |
| 2.5" | 65 | 232 | 275 | 10/16 | 185 | 145 | 118 | 190 | |||
| 3" | 80 | 281 | 301 | 10/16 | 200 | 160 | 132 | 203 | 8-Φ19 | ||
| 4" | 80 | 316 | 355 | 10/16 | 220 | 180 | 156 | 229 | |||
| 5" | 125 | 393 | 393 | 10/16 | 250 | 210 | 184 | 254 | |||
| 6" | 150 | 420 | 448 | 10/16 | 285 | 240 | 211 | 267 | 8-Φ23 | ||
| 8" | 200 | 490 | 548 | 10 | 20 | 340 | 295 | 266 | 292 | ||
| 8" | 200 | 490 | 548 | 16 | 12-Φ23 | ||||||
| 10" | 250 | 626 | 626 | 10 | 22 | 405 | 350 | 319 | 330 | ||
| 10" | 250 | 626 | 626 | 16 | 355 | 12-Φ28 | |||||
| 12" | 300 | 722 | 722 | 10 | 24.5 | 406 | 400 | 370 | 356 | 12-Φ23 | 4 |
| 12" | 300 | 722 | 722 | 16 | 410 | 12-Φ28 | |||||
| 14" | 350 | 800 | 800 | 10 | 26.5 | 520 | 460 | 429 | 381 | 16-Φ23 | |
| 14" | 350 | 800 | 800 | 16 | 470 | 16-Φ28 | |||||
| 16" | 400 | 870 | 870 | 10 | 28 | 580 | 515 | 480 | 406 | ||
| 16" | 400 | 870 | 870 | 16 | 525 | 16-Φ31 | |||||
| 18" | 450 | 1108 | 1108 | 10 | 30 | 640 | 565 | 530 | 432 | 20-Φ28 | |
| 18" | 450 | 1108 | 1108 | 16 | 585 | 20-Φ31 | |||||
| 20" | 500 | 1130 | 1130 | 10 | 31.5 | 715 | 620 | 582 | 457 | 20-Φ28 | |
| 20" | 500 | 1130 | 1130 | 16 | 650 | 609 | 20-Φ31 | ||||
| 24" | 600 | 1311 | 1311 | 10 | 36 | 840 | 725 | 682 | 508 | 5 | |
| 24" | 600 | 1311 | 1311 | 16 | 770 | 720 | 20-Φ37 | ||||
| 28" | 700 | 1311 | 1311 | 10 | 32.5 | 895 | 840 | 794 | 610 | 24-Φ31 | |
| 32" | 800 | 1750 | 1750 | 10 | 35 | 1015 | 950 | 901 | 660 | 24-Φ34 | |




















